This proposal of Traymark Industrial Caravans Pty Ltd is to build a Traymark Mobile works van that is of robust construction suited to adverse road conditions. The room unit is designed to last through the rigors of constant movement throughout the state, at the same time not building in excess weight that would impede easy relocation. The materials and workmanship will be to the highest standard and meet all requirements as stated in the Australian Standards.

Case Study
Ten Work Site Caravans
Queensland Health
Introduction
Specifications
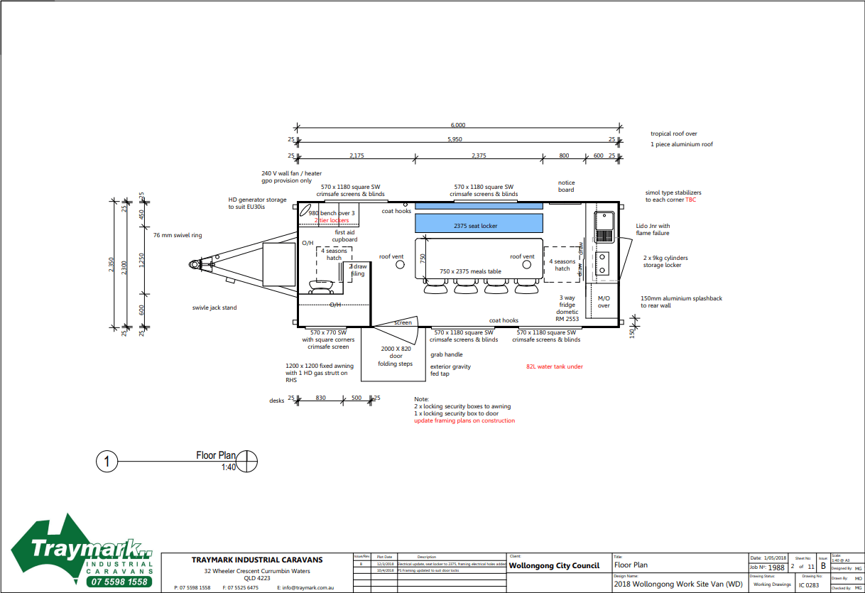
- External body length 6000mm
- External width 2350mm
- External height 2200mm
- Aggregate Trailer Mass 2800kg (estimated)
The chassis is the backbone of the unit supported with gusseted wall framing. The two combined ensure a strong robust mobile unit for many years of service.
- Chassis members 100 x 50 Steel PFC (Channel)
- Cross members/floor joists 50 x 50 x 3 Steel Angle
- Drawbar 125 x 65 Steel PFC (Channel)
- Wall frame 25 x 25 x 1.6 GAL SHS 50 x 25 x 1.6 GAL RHS
- Chassis to be hot dipped galvanised
- 2 x ALKO 45mm square axles - fitted with electric brakes and tapered roller bearers
- Suspension kit to carry 3000kg load - leaf type with non-lubricated type bushes
- Mechanical park brake fitted to the drawbar
- 14” Galvanised Ford rims with new radial 185r14 tyres fitted - wheel nut indicators also fitted
- Wheel security chains
- 4 x Simol DT590/3SF wind down stabiliser legs (zinc) - with removable winders
- 1 x Towing coupling - 3T 76mm swivel ring
- 1 x Simol Jack stand with swivel
- 1 x Water tank bracket
- 1 x set of heavy duty steps (750mm wide approx.) with anti-slip (serrated flatbar) to leading edges
- Chrome grab rail fitted
- 2 x 9kg gas bottles fitted in lockable enclosure
- Wall framing is to be galvanised RHS with welds painted
- All welding is with a MIG welder - using 1.mm high tensile wire
- All welds and bare steel is primed and gloss coated with black enamel ? Floor joists are at no more than .600 centres
- Walls and roof are bolted together
- Walls are welded every .400m to chassis
- 1 x Heavy Duty generator box made from galvanised steel and zincanneal sheet - painted whit
- 15mm structural ply is glued and screwed to floor joists - then sanded flat
- Underside of floor is painted - topside of floor is covered in Gerflor commercial dark grey vinyl
- Wall sheeting is grey embossed 4mm Polyester Plywood - glued and riveted to studs
- Ceiling sheeting is white 4mm polyester plywood - glued and riveted to studs
- Cabinet work as per plan - white lightweight ply
- Bench tops are 16mm light grey laminated plywood with edges of plastic strippin
- All drawers and doors to have positive locking devices fitted
- 1 x Padded seat locker with storage underneath
- 4 x Removable chairs with back rests
- 1 x First Aid cupboard to suit kit size of 420L x 230W x 240H - with first aid sign/logo
- 1 x Fixed table as per plan
- 6 x Lockers under bench @ total of 970mm high x 1140 wid
- External sheeting is Traymark aluminium ribbed sheeting fixed with Sika-Flex and riveted to RHS studs
- All joins are made over steel studs
- Roof sheets are single piece sheets - .8mm aluminium
- Roof is pitched to allow run-off when in level position
- 50mm insulation to roof
- 25mm insulation to walls
- 1 x 1200 x 1200 Lockable awning shutter over door - fitted with gas strut mounted to right side Awning to have weather protective cover over the gap between the awning and the van that will prevent water from dripping down onto steps and door entry Locking boxes fitted to bottom of awning
- 4 x G James 565 x 1175 sliding glass windows fitted with flyscreens, roller blinds and crimsafe style security screens
- 1 x G James 565 x 765 sliding glass window fitted with flyscreen, roller blinds and crimsafe style security screen
- 2 x 660 x 660 four seasons roof hatches
- 2 x Rotary roof vents
- 1 x 2000 x 820mm aluminium framed colorbond lined commercial grade door
- Lock box fitted to bottom of door and wall for extra door security
- 1 x Aluminium framed flyscreen door
- 1 x Lockable storage cabinet for 2 x 9kg gas bottles (rear) with gas venting pipe - aluminium
- Chrome grab handle to entrance
- All door jambs, window frames and sills to be flashed to prevent water ingress
- 1 x Aluminium tropical roof fitted with centre supports to prevent collapse over the life of the unit
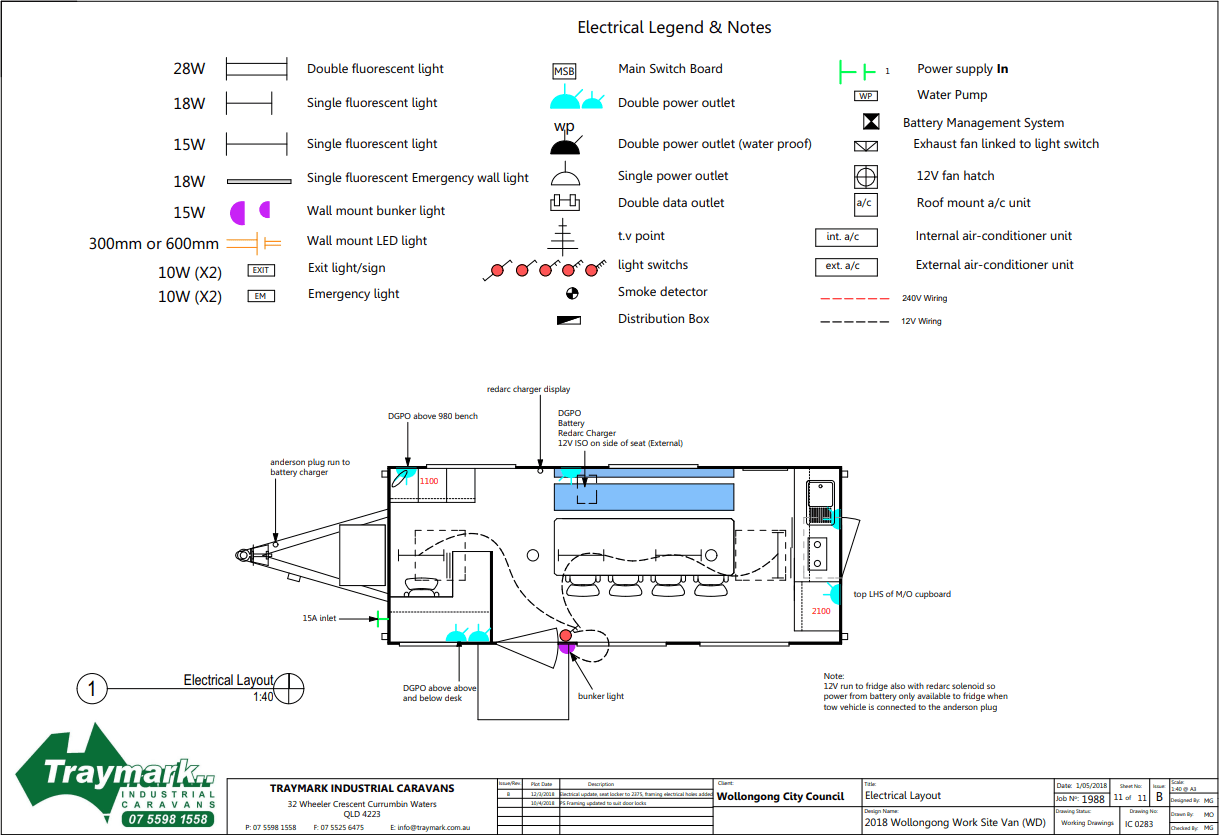
12 volt wiring is per Australian Design rules Includes:
- Clearance lights
- Side lights
- Stop lights
- Indicator lights
- Numberplate light
- Reflectors
- 1 x Flat 7-pin plug and dummy female receiver on drawbar. Plug to have 600mm reach past centre of coupling.
- Anderson plug to drawbar wired to BMS1215
- Traffic lighting is multi-volt LED
- All electrical wiring is per Australian Standards - AS3001 and carried out and tested by a licensed contractor. All wiring passing through metal or timber will be protected using grommets.
- 1 x 15a inlet
- A switch board
- Circuits which are protected by circuit breakers
- Circuit breakers are double pole with ELCB
- Various double general power outlets
- Anderson plug on drawbar
- 1 x Redarc BMS1215 battery management system wired from Anderson plug to house battery
- 1 x 105AH deep cycle battery to power lights and also fridge when tow vehicle is connected
- Internal LED lights
- 1 x 82Lt water tank with hand pump and lockable filler cap - plumbed to single point camlock on kerb side of the caravan
- 1 x Gravity fed external tap to kerb side of caravan
- 1 x Stainless steel sink with hand pump
- Coat hooks - positioned between lockers and sliding window
- 1 x 1.0kg dry powder Fire Extinguisher
- 1 x Fire blanket
- Provision for wall fan which has heating function
- If required, induction/training on how to use the unit will be provided
- Documentation booklet which includes:
- Operation manual for recommended use of the unit and associated risks
- General maintenance / service recommendations
- Spare parts list
- 2 x 9kg gas bottles - 1x is to be fitted to regulator and fitted with gas level indicator
- 1 x Lido Jr two burner cooktop with grill
- 1 x Dometic RM2553 150lt 3way fridge
- 1 x 25Lt LG microwave - in shelf above fridge

)
)
)
)
)
)
)
